Каталог товарів

Котел пелетний Rittium 7, 8 кВт, (камінофен), Tim Sistem

Артикул: 000030187
Немає на складі
В наявності
0,00 грн
63 000,00 грн
+
Способи доставки
  • Самовивіз з Нової пошти
  • Кур'єр Нової Пошти
  • Самовивіз з магазину
  • Інші транспортні служби
Способи оплати
  • Готівкою при отриманні
  • Безготівковий переказ
  • Приват 24
  • WebMoney
Опис
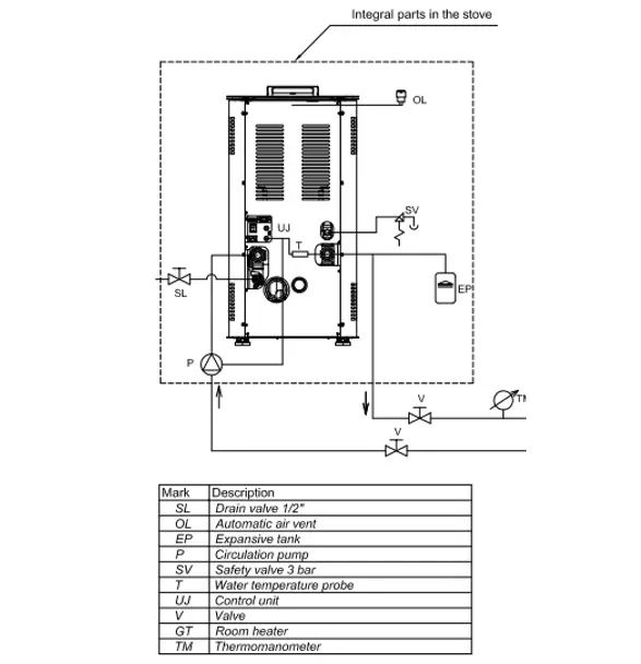
Rittium 7 6 кВт (металлическая верхняя плита ) Мощность: 6 кВт, Габариты -ШхГхВ (мм): 523x603x1041, Вес (кг): 115, Топливо (размеры): древесные гранулы (O6 mm L?30 мм), Диаметр выхлопной трубы (мм): O 80, Емкость топливного бака (кг ) 19, Напряжение (В): 230 ± 15%, Частота (Гц ) 50, Электрическая мощность во время работы W 55 - 160, Номинальное использование пеллет (кг): 1,5, Сокращенное использования пеллет (кг): 0,8.
Відгуки
Поки немає відгуків
Написати відгук
Ім'я*
Email
Введіть коментар*